Rel. send. 7a
|
| Inventarnummer | 00008 |
| Bezeichnung | Rel. send 7a |
| Hersteller | Siemens & Halske |
| Datierung | ca. 1935 |
| Kategorie | Prüfsender |
| Material | Messing, Kupfer (gesamtes Chassis), Pressstoff, Hartgummi, Glas |
| Abmessungen | 450 · 250 · 180 mm |
| Masse | 14 kg |
| Zustand |
2B Originalzustand inkl. vollständiger Spulensatz, zur Seriennummer passend Fremdmodulation funktioniert nicht vollständig |
| Markierungen | Typenschild mit Aufschrift "VII D 9/4" und Seriennummer 434272 |
| Beschreibung |
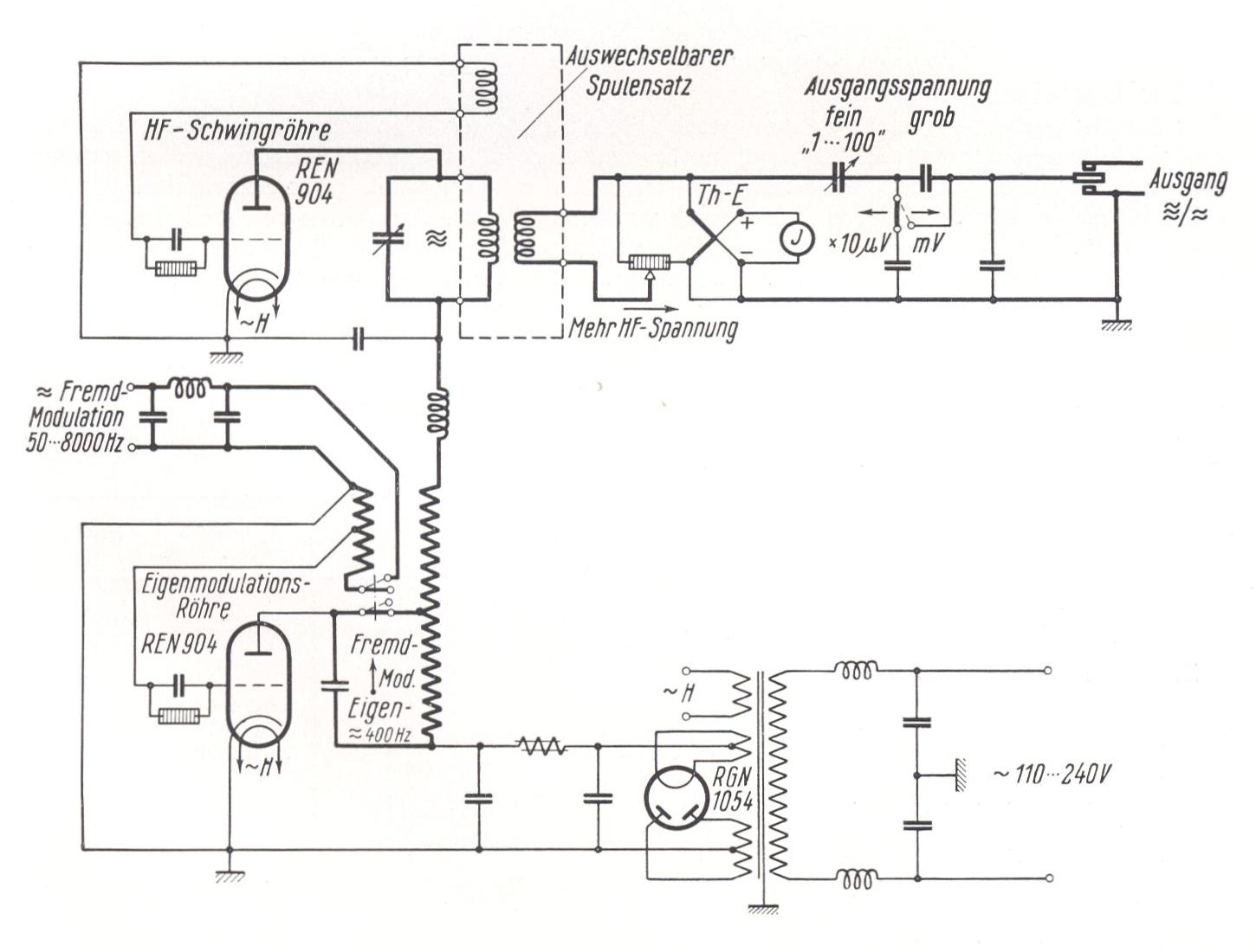
Der innere Aufbau des Chassis besteht vollständig aus Kupfer und Messing. Über eine Deckelklappe kann die Spule zur Auswahl des Frequenzbereichs getauscht werden, zudem sind die Röhren direkt im Zugriff, ohne dazu das Gehäuse aufschrauben zu müssen. Zum Gerät gehört ein Spulensatz aus 6 Spulen, die in einem mit der selben Seriennummer beschrifteten Kästchen aus bespanntem Karton befinden. Über diese Spulen wird der Frequenzbereich des Geräts gewählt. |
| Referenz | Messgeräte für die Fernmeldetechnik, Ausgabe Juli 1936, Seite 34 |
Gerätecharakteristik
| Frequenzbereich |
100 kHz ... 21 MHz (unterteilt in 6 Bereiche) Die Frequenzbereiche werden durch Steckspulen ausgewählt Bereich 1: 100 ... 230 kHz Bereich 2: 220 ... 580 kHz Bereich 3: 540 ... 1550 kHz Bereich 4: 1,45 ... 3,6 MHz Bereich 5: 3,5 ... 9 MHz Bereich 6: 8 ... 21 MHz |
| Genauigkeit | ca. ± 1% |
| Ausgangsspannung | 10 µV ... 100 mV (Genauigkeit ± 15 % ... ± 20 % |
| Eigenmodulation | 400 Hz ± 5% |
| Modulationsgrad | etwa 30% |
| NF-Klirrfaktor | ca. 7% |
| Fremdmodulation | 50 ... 8000 Hz |
| Modulationsgrad | bis zu 80% |
| Eingangswiderstand | ca. 600 Ohm |
| Datenblatt | (siehe Katalog) |
| Handbuch | Siemens & Halske - Rel. Send 7a - Handbuch [6.932 KB] |
| Schaltplan | siehe Handbuch |
| Netzanschluss | 110 / 115 / 150 / 220 / 240 V; 48 ... 52 Hz |
| Bestückung |
Röhren: 2 x REN 904, 1 x RGN 1064, 1 x Ht3 |
Anwendung
Der Empfänger-Prüfgenerator erzeugt regelbare Hochfrequenzspannungen im Rundfunk- und Kurzwellenbereich. Die Hochfrequenzspannungen können durch den eingebauten Tonfrequenzgenerator mit einer festen Frequenz von 400 Hz oder durch Anschluss des Netzanschluß- Schwebungssummers Rel sum 28a mit Tonfrequenzen von 50 bis etwa 8000 Hz moduliert werden.
Einige von diesen Prüfungen seien hier aufgeführt:
- Eichen der Abstimmskalen
- Feststellen der Abstimmbereiche
- Empfindlichkeitsmessungen
- Selektivitätsprüfungen
- Messung der vom Empfänger abgebbaren Leistung
- Prüfung der Fadingregulierung
- Abgleichen
- Zwischenfrequenzmessung in Überlagerungsgeräten
- Fehlereingrenzung
- Untersuchungen an Sperrkreisen, Bandfiltern usw.
Diese Aufzählung ist keineswegs vollständig, sie soll nur zeigen, welche vielseitigen Verwendungsmöglichkeiten der Empfänger-Prüfgenerator hat.
Arbeitsweise
Als Hochfrequenzgenerator dient ein induktiv rückgekoppelter Röhrensender; die Modulationsfrequenz wird ebenfalls durch einen solchen Röhrengenerator erzeugt. Zur Modulation wird die Tonfrequenzspannung der Anodengleichspannung des Senders überlagert. Die gewünschte Ausgangsspannung kann an einem geeichten Spannungsteiler unmittelbar eingestellt und abgelesen werden. Der Scheinwiderstand des Ausgangs entspricht dem einer normalen Empfangsantenne. Als Anzeigegerät am Ausgang des Rundfunkempfängers dient ein Tonfrequenz- Strom- und Spannungsprüfer Rel mse 48 a oder ein entsprechendes anderes Gerät.
weitere Aufnahmen des Exponats
Verwandte Geräte und Zubehör
Änderungen
| 2014-03-23 | Erfassung |
| 2017-10-02 | Link auf neueres Modell eingefügt |

![[00008] Innenansicht Rel. send. 7a - Empfänger Prüfgenerator; Siemens & Halske; ca. 1935](../../images/00008_d_siemens_rel-send-7a_innentable25.jpg)
![[00008] Rel. send. 7a - Empfänger Prüfgenerator; Siemens & Halske; ca. 1935](../../images/00008_d_siemens_rel-send-7a_gesamttable25.jpg)
![[00008] Spulensatz zu Rel. send. 7a - Empfänger Prüfgenerator; Siemens & Halske; ca. 1935](../../images/00008_d_siemens_rel-send-7a_spulen1table25.jpg)
![[00008] Spulensatz zu Rel. send. 7a - Empfänger Prüfgenerator; Siemens & Halske; ca. 1935](../../images/00008_d_siemens_rel-send-7a_spulen2table25.jpg)
![[00008] Spulensatz zu Rel. send. 7a - Empfänger Prüfgenerator; Siemens & Halske; ca. 1935](../../images/00008_d_siemens_rel-send-7a_spulen3table25.jpg)
![[00008] Spulensatz zu Rel. send. 7a - Empfänger Prüfgenerator; Siemens & Halske; ca. 1935](../../images/00008_d_siemens_rel-send-7a_spulen4table25.jpg)
![[00708] Rel. send. 7a (neueres Modell) - Empfänger Prüfgenerator; Siemens & Halske; ca. 1938](../../images/00708_siemens_rel-send-7atable25.jpg)