 |
 |
 |
Rel 3 B 93 a
|
|
|
|
|
|
Inventarnummer |
00877 |
|
Bezeichnung |
Rel 3 B 93 a |
|
|
Umschalter für Nebenvierermessungen mit Zuleitungsabgleich-Kondensatoren. Dieses Gerät ist ein Zusammenbau des Umschalters Rel 3 B 97 und des Zuleitungsabgleich-Kondensators Rel 3 B 94 |
|
Hersteller |
Siemens & Halske |
|
Datierung |
1958 |
|
Preis |
- |
|
Kategorie |
aktive Messgeräte Fernmeldetechnik |
|
Material |
Holzkasten, innen mit Schirmblech ausgeschlagen; Aluminium, Messing, Pressstoff, Kunsttoff, Plexiglas |
|
Abmessungen |
(BTH): 410 · 280 · 235 mm (bei geschlossenem Deckel) |
|
Masse |
12,5 kg |
|
Zustand |
3/- |
|
Markierungen |
F-Nummer: 9/132726 Innen findet sich auf der Rückseite der Frontplatte ein Stempel: "Wv2 geprüft 11. SEP. 1958"; Auf dem Baugruppenrahmen findet sich ein roter Post-Stempel mit der Nummer "234", dieser findet sich ebenfalls auf der Holzkiste. |
|
Beschreibung |
Das Gerät ist in einer kräftigen Holzkiste eingebaut. Die Holzkiste besitzt zwei ausklappbare Tragegriffe an ihren Schmalseiten. Das Gehäuse schützt die Messschaltung vor mechanischer Beschädigung und vor Verstaubung. Das Gehäuse ist innen mit Schirmblechen verkleidet (schwarz lackiert). Es besitzt vier Füße auf der Unterseite und auf der Oberseite vier Gegenstücke, so dass die Geräte bei ihrer Zusammenstellung zu Messplätzen rutsch- und Stoßsicher aufeinander gestellt werden können. Der Deckel ist über vier Spannklammern an den Seiten befestigt. Die Frontplatte des Geräts dient als zentraler Baugruppenträger, alle elektrischen und mechanischen Bauteile sind mit dieser verbunden. Alle Leitungen im Gerät sind geschirmt ausgeführt. Als Bauteile sind ausschließlich Styroflex-Kondensatoren und Präzisions-Drehkondensatoren mit Feinantrieb verbaut. Die Verbindungen der Drehkondensatoren sind mit dicken, versilberten Kupferdrähten ausgeführt. |
|
Referenz |
Messgeräte für die Nachrichtentechnik, 11. Ausgabe; September 1956; Seite 486 |
|
|
|
Gerätecharakteristik
|
|
Anzeigefehler |
keine Angaben |
|
Frequenzfehler |
keine Angaben |
|
Datenblatt |
nicht vorhanden |
|
Handbuch |
nicht vorhanden |
|
Schaltplan |
|
|
|
|
Anmerkungen
|
Dieses Gerät ist ein Zusammenbau des Umschalters Rel 3 B 97 und des Zuleitungsabgleich-Kondensators Rel 3 B 94; er wird zweckmäßigerweise als Hilfsgerät z.B. zur Kopplungs-Messbrücke Rel 3 R 313 und zur Dämpfungs-Messeinrichtung Rel 3 D 23/24 dann eingesetzt, wenn Umschalter und Abgleichkondensatoren erforderlich sind. Mit dem Umschalter können die notwendigen Schaltungen zum Messen der kapazitiven Kopplungen und entsprechenden Nebensprechdämpfungen zwischen zwei Vierern (Vierer I und II) einfach und übersichtlich hergestellt werden. Die Abgleichkondensatoren zum Ausgleich der kapazitiven Kopplungen der Zuleitungen für die Kopplungen k1, k2, k3 und e1, e2, e3 erweisen sich als ein wichtiger Zusatz zur Kopplungs-Messbrücke vor allem bei Kabelmessungen auf der Baustelle, aber auch bei der Prüfung und Abnahme von Werkslängen, weil sie nach einmaligem Abgleich die durchgehende Messung der Kopplungen k1 bis e3 ermöglichen. Der Regelbereich der einzelnen Abgleichkondensatoren ist ausreichend für die üblichen Längen und bei gutem Zustand der Zuleitungen zu erwartenden Abgleichwerte.
|
 |
|
|
|
Arbeitsweise
|
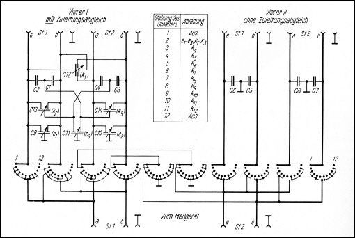
Die Arbeitsweise ist im folgenden getrennt für die Zuleitungsabgleich-Kondensatoren und den Umschalter aufgeführt. Der Zuleitungsabgleich ist nur bei den Imvierer Messungen k1...3, e1...3 erforderlich. Die Abgleichkondensatoren liegen deshalb, wie das Schaltbild erkennen lässt (siehe oben), nur in einer Umschaltgruppe (Vierer I).
|
|
|
Zum Abgleich der k-Kopplung dienen der Doppeldifferenzialkondensator C12 (k1) und die Differentialkondensatoren C13 (k2) und C14 (k3), kurz k1, k2, k3 genannt und auch so am Gerät bezeichnet. Die Kondensatoren C9 (e1), C12 (e2) und C11 (e3) sind gleichfalls Differentialkondensatoren mit je zwei Teilkapazitäten. Der e1-, e2- und e3-Abgleich wird vor den k-Abgleichen vorgenommen. Damit sich beim e3-Abgleich die bereits abgeglichenen e1- und e2-Kopplungen der Zuleitungen nicht mehr ändern, muss der Kondensator C11 symmetrisch an die elektrischen Mitten der beiden Stämme angeschlossen werden. Diese elektrischen Mitten ergeben sich mit den Festkondensatoren C1/C2 (Stamm 1) und C3/C4 (Stamm 2).
|
 |
|
|
|
Die Verbindung zwischen den Klemmen (Stamm 1, Stamm 2) des jeweiligen Messgeräts und den Klemmen der zu messenden Vierer (Vierer I und Vierer II) werden mit einem geschirmten Schalter (S) vorgenommen. In der Stellung "k1...3, e1...3" stellt man die einzelnen Messschaltungen k1, k2, k3 und e1, e2, e3 am Schalter der Kopplungs-Messbrücke ein. Beim Messen der Übersprechdämpfung a1 oder der Mitsprechdämpfung a2 übernimmt diese entsprechende Aufgabe der im Mitsprechzusatz eingebaute Schalter. Eigenkopplungen in der Stellung k1...3, e1...3 sind mit kleinen Festkapazitäten sowie mit Hilfe der drei Differentialkondensatoren C1, C2 und C3 (Feinabgleich für k1 bis k3) ausgeglichen. Die Nebenviererkopplung k4 bis k12 und Nebenvierdämpfungen a4 bis a12 werden in den entsprechenden Stellungen des Umschalters gemessen. Durch besondere Maßnahmen sind die Eigenkopplungen sehr klein (< 0,1 pF) gehalten.
|
 |
|
|
|
![[00877] Rel 3 B 93a - Umschalter für Nebenvierermessungen mit Zuleitungsabgleich-Kondensatoren; Siemens & Halske; 1958](../../images/00877_d_siemens_rel-3-b-93a_plan4_650.jpg)
|
|
|
weitere Aufnahmen des Exponats ...
|
|
|
|
Änderungen
|
|
|
|
(C) 2012-2025 - Alle Rechte vorbehalten |
|
Diese Seite drucken
|