 |
 |
 |
Stöpsel-Meßbrücke
|
|
|
|
|
|
letzte Änderung |
2013-03-02 |
|
Inventarnummer |
00418 |
|
Bezeichnung |
Kleine Stöpsel Messbrücke mit Vergleichswiderstand in Reihenschaltung Listen-Nr.: 157640 |
|
Hersteller |
Siemens & Halske |
|
Datierung |
ca. 1940 |
|
Kategorie |
kleine Messbrücken |
|
Material |
Holz (Mahagoni außen, Esche innen), Messing, Preßstoff, Ebonit, Pertinax, Manganin, Keramik |
|
Abmessungen |
(BTH) 200 x 175 x 90 mm |
|
Masse |
1,93 kg (inkl. Stöpsel) |
|
Zustand |
3A (Gehäuse mit deutlichen Abnutzungserscheinungen; Seitenwände teilweise lose) |
|
Markierungen |
Seriennummer: 884689 (Schild auf Vorderseite) Schaltbild auf Pertinax-Steckplatte |
|
Beschreibung |
Die Außenwände des Gehäuses sind aus Mahagoni gefertigt (einfache Verklebung), der Boden und die inneren Teile bestehen aus Eschenholz. Die Messbrücke hat ein Aufbewahrungsfach für nicht benutzte Stöpsel. Der Aufbau der Steck-Kontakte ist weiter unten beschrieben. |
|
Referenz |
Handliste 7b (Seite 15) |
|
|
|
Messbereiche
|
|
Stromart |
DC (4 Volt) |
|
Widerstand |
0,0001Ω ... 1 MΩ |
|
|
|
Gerätecharakteristik
|
|
Messverfahren |
Die Meßbrücke arbeitet nach dem Verfahren der Wheatstonebrück. |
|
Ausführung |
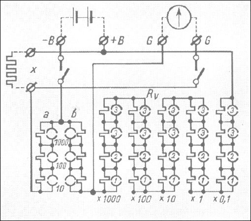
Die induktionsfrei gewickelten Widerstände sind sämtlich in Reihe geschaltet. Die Verhältniswiderstände a und b enthalten je 3 Werte 10, 100, 1000 Ω ; der Vergleichswiderstand Rv umfasst 9999,9 Ω in fünf Reihen zu je 4 Widerständen mit der Stufung 1, 2, 3, 3. Im Batterie- und Galvanometerkreis sind feststellbare Tasten eingebaut. |
|
Messgenauigkeit |
Abhängig vom eingesetzten Galvanometer und der verwendeten Spannungsquelle; Widerstände sind auf 0,02% abgestimmt. |
|
weitere technische Daten |
siehe unten |
|
Datenblatt |
siehe Katalog/Preisliste |
|
Handbuch |
nicht vorhanden |
|
Schaltplan |
|
|
|
|
Anwendung
|
Die Brücke dient zum Messen ohmscher Widerstände insbesondere auf der Montage, bei Fehlerortsmessungen und dgl.
|
|
|
weitere Aufnahmen des Exponats ...
|
|
|
|
(C) 2012-2025 - Alle Rechte vorbehalten |
|
Diese Seite drucken
|